专利数据库
统计分析
产业报告
专利数据监控
产业人才
行业动态
产业政策法规
维权援助
个人中心
详情
文本
图像
标题
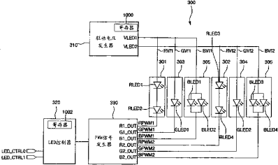
场序制液晶显示器中的背光驱动电路
授权日
1900-01-01
公开(公告)号
CN1641739A
申请日
2004-11-27
公开(公告)日
2005-07-20
当前申请(专利权)人
三星移动显示器株式会社
发明人
金台洙
简单同族
CN100447850C | CN1641739A | JP2005157394A | JP4216246B2 | KR100659531B1 | KR1020050051071A | US20050116922A1 | US7391407
简单同族成员数量
8
简单同族被引用专利总数
60
诉讼案件数
0
法律状态/事件
未缴年费 | 权利转移
抱歉,您的浏览器不支持PDF预览,请点击链接下载PDF文件