专利数据库
统计分析
产业报告
专利数据监控
产业人才
行业动态
产业政策法规
维权援助
个人中心
详情
文本
图像
标题
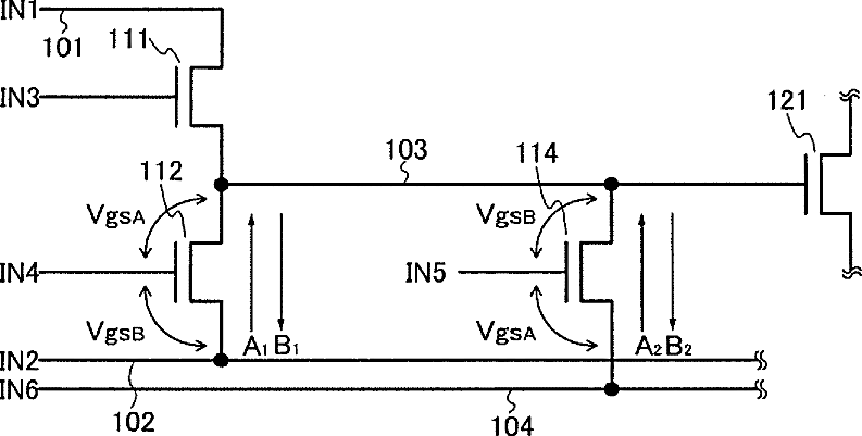
Liquid crystal display device
授权日
2012-07-31
公开(公告)号
US8232947
申请日
2009-11-09
公开(公告)日
2012-07-31
当前申请(专利权)人
SEMICONDUCTOR ENERGY LABORATORY CO., LTD.
发明人
KIMURA, HAJIME
简单同族
JP2010140023A | JP2010140023A5 | JP2014016621A | JP2015053103A | JP2016076286A | JP2017139048A | JP2018010709A | JP2019040182A | JP2019191592A | JP5386313B2 | JP5683053B2 | JP5836557B2 | JP6091582B2 | JP6190559B1 | KR101603306B1 | KR101648520B1 | KR101693818B1 | KR101830197B1 | KR101868065B1 | KR101921974B1 | KR1020100054729A | KR1020160030919A | KR1020160096579A | KR1020170004941A | KR1020180019625A | KR1020180066891A | KR1020180126425A | KR1020200006158A | KR102067052B1 | KR102130466B1 | TW201033986A | TWI492207B | US10416517 | US20100123654A1 | US20120236224A1 | US20170329194A1 | US20190346728A1 | US8232947
简单同族成员数量
38
简单同族被引用专利总数
58
诉讼案件数
0
法律状态/事件
授权 | 权利转移
抱歉,您的浏览器不支持PDF预览,请点击链接下载PDF文件