专利数据库
统计分析
产业报告
专利数据监控
产业人才
行业动态
产业政策法规
维权援助
个人中心
详情
文本
图像
标题
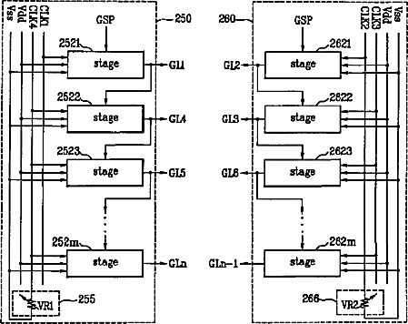
Apparatus and method for driving liquid crystal display device
授权日
2012-06-12
公开(公告)号
US8199099
申请日
2009-08-04
公开(公告)日
2012-06-12
当前申请(专利权)人
LG DISPLAY CO., LTD
发明人
KWON, SUN YOUNG | KIM, DO HEON | MOON, SU HWAN | CHAE, JI EUN
简单同族
JP2006350289A | JP4244227B2 | TW200643860A | TWI317918B | US20060284815A1 | US20090295784A1 | US7586476 | US8199099
简单同族成员数量
8
简单同族被引用专利总数
152
诉讼案件数
0
法律状态/事件
授权
抱歉,您的浏览器不支持PDF预览,请点击链接下载PDF文件