专利数据库
统计分析
产业报告
专利数据监控
产业人才
行业动态
产业政策法规
维权援助
个人中心
详情
文本
图像
标题
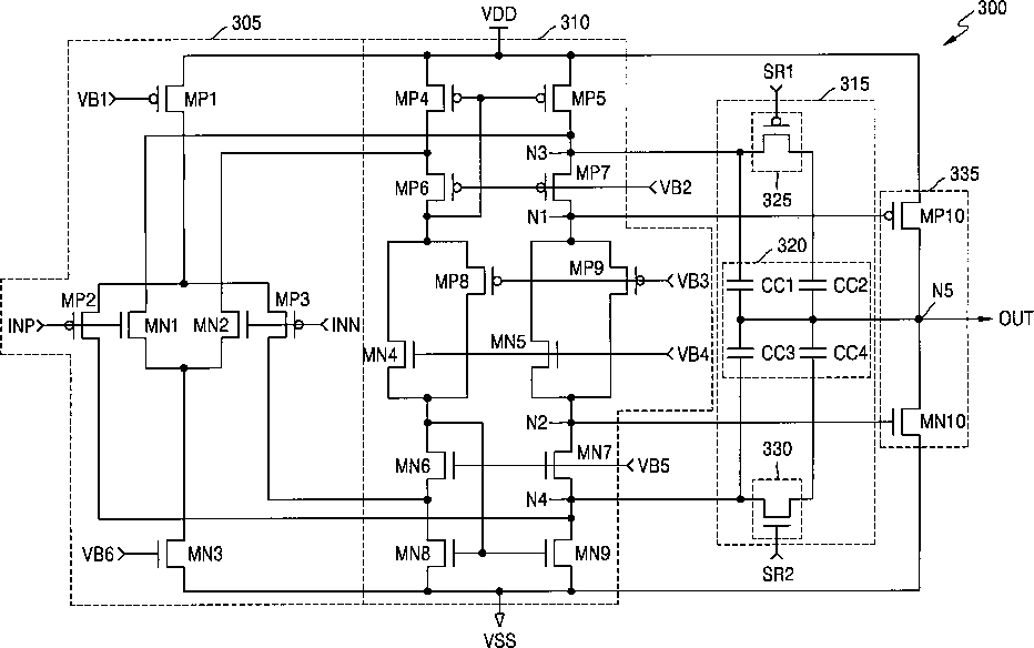
Output buffer of a source driver in a Liquid Crystal Display having a high slew rate and a method of controlling the output buffer
授权日
1900-01-01
公开(公告)号
US20060125759A1
申请日
2005-12-05
公开(公告)日
2006-06-15
当前申请(专利权)人
SAMSUNG ELECTRONICS CO., LTD.
发明人
AN, CHANG-HO
简单同族
KR100699829B1 | KR1020060064941A | TW200620229A | TWI277054B | US20060125759A1 | US20110063200A1 | US7859505 | US8081150
简单同族成员数量
8
简单同族被引用专利总数
68
诉讼案件数
0
法律状态/事件
未缴年费 | 权利转移
抱歉,您的浏览器不支持PDF预览,请点击链接下载PDF文件