专利数据库
统计分析
产业报告
专利数据监控
产业人才
行业动态
产业政策法规
维权援助
个人中心
详情
文本
图像
标题
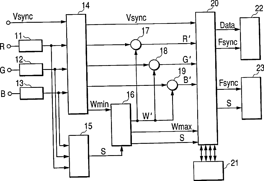
Color liquid crystal display device
授权日
1900-01-01
公开(公告)号
US20020063670A1
申请日
2001-11-28
公开(公告)日
2002-05-30
当前申请(专利权)人
CANON KABUSHIKI KAISHA
发明人
YOSHINAGA, HIDEKI | MORI, HIDEO | MIURA, SEISHI
简单同族
JP2002229531A | JP3450842B2 | US20020063670A1 | US20050237288A1 | US6961038
简单同族成员数量
5
简单同族被引用专利总数
160
诉讼案件数
0
法律状态/事件
未缴年费 | 权利转移
抱歉,您的浏览器不支持PDF预览,请点击链接下载PDF文件