专利数据库
统计分析
产业报告
专利数据监控
产业人才
行业动态
产业政策法规
维权援助
个人中心
详情
文本
图像
标题
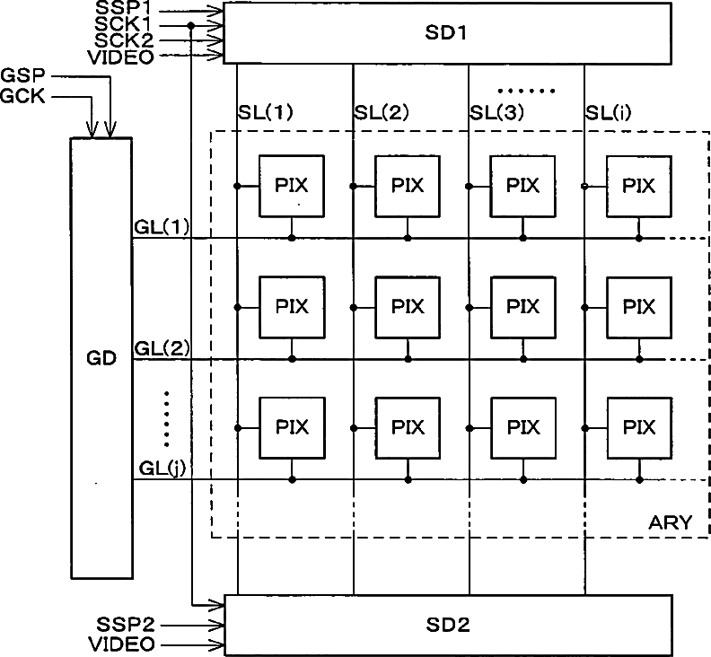
Display device
授权日
1900-01-01
公开(公告)号
US20040119675A1
申请日
2003-12-12
公开(公告)日
2004-06-24
当前申请(专利权)人
SHARP KABUSHIKI KAISHA
发明人
WASHIO, HAJIME | MAEDA, KAZUHIRO | ONDA, MAMORU
简单同族
CN100336089C | CN1506926A | JP2004191888A | JP3666662B2 | KR100522093B1 | KR1020040052194A | TW200412560A | TWI256030B | US20040119675A1 | US7414607
简单同族成员数量
10
简单同族被引用专利总数
195
诉讼案件数
0
法律状态/事件
授权 | 权利转移
抱歉,您的浏览器不支持PDF预览,请点击链接下载PDF文件