专利数据库
统计分析
产业报告
专利数据监控
产业人才
行业动态
产业政策法规
维权援助
个人中心
详情
文本
图像
标题
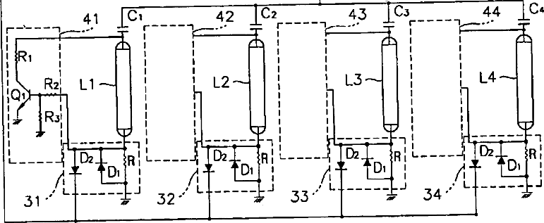
Apparatus and driving lamp and liquid crystal display device having the same
授权日
2005-09-20
公开(公告)号
US6947024
申请日
2002-10-18
公开(公告)日
2005-09-20
当前申请(专利权)人
SAMSUNG DISPLAY CO., LTD.
发明人
LEE, INN-SUNG | KANG, MOON-SHIK | HAN, SONG-YI
简单同族
CN100448333C | CN1436030A | JP2003229290A | JP4130767B2 | KR100840933B1 | KR1020030065219A | TW558711B | US20030142060A1 | US20060050048A1 | US6947024 | US8390561
简单同族成员数量
11
简单同族被引用专利总数
132
诉讼案件数
0
法律状态/事件
未缴年费 | 权利转移
抱歉,您的浏览器不支持PDF预览,请点击链接下载PDF文件