专利数据库
统计分析
产业报告
专利数据监控
产业人才
行业动态
产业政策法规
维权援助
个人中心
详情
文本
图像
标题
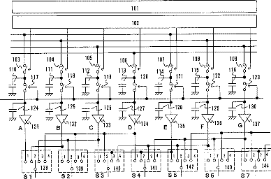
Liquid crystal display device and method of driving a liquid crystal display device
授权日
2007-03-20
公开(公告)号
US7193593
申请日
2003-08-29
公开(公告)日
2007-03-20
当前申请(专利权)人
SEMICONDUCTOR ENERGY LABORATORY CO., LTD. | SHARP KABUSHIKI KAISHA
发明人
KOYAMA, JUN | KIMURA, HAJIME | SHIONOIRI, YUTAKA | HIRAYAMA, YASUHIRO | LEE, BUYEOL
简单同族
CN100437305C | CN1490655A | KR100991111B1 | KR100991684B1 | KR1020040020845A | KR1020100083756A | US20040041765A1 | US7193593
简单同族成员数量
8
简单同族被引用专利总数
67
诉讼案件数
0
法律状态/事件
未缴年费 | 权利转移
抱歉,您的浏览器不支持PDF预览,请点击链接下载PDF文件