专利数据库
统计分析
产业报告
专利数据监控
产业人才
行业动态
产业政策法规
维权援助
个人中心
详情
文本
图像
标题
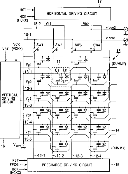
Display device and method for driving the same
授权日
2004-06-01
公开(公告)号
US6744417
申请日
2001-06-12
公开(公告)日
2004-06-01
当前申请(专利权)人
SONY CORPORATION
发明人
YAMASHITA, JUNICHI | KASHIMA, TOMOHIRO
简单同族
EP1164567A2 | EP1164567A3 | EP1164567B1 | HK1043855A | JP2001356740A | JP4894081B2 | KR100768117B1 | KR1020020005419A | NO20012911A | NO20012911D0 | NO20012911L | NO323308B1 | TW522367B | US20030206149A1 | US6744417
简单同族成员数量
15
简单同族被引用专利总数
76
诉讼案件数
0
法律状态/事件
未缴年费 | 权利转移
抱歉,您的浏览器不支持PDF预览,请点击链接下载PDF文件