专利数据库
统计分析
产业报告
专利数据监控
产业人才
行业动态
产业政策法规
维权援助
个人中心
详情
文本
图像
标题
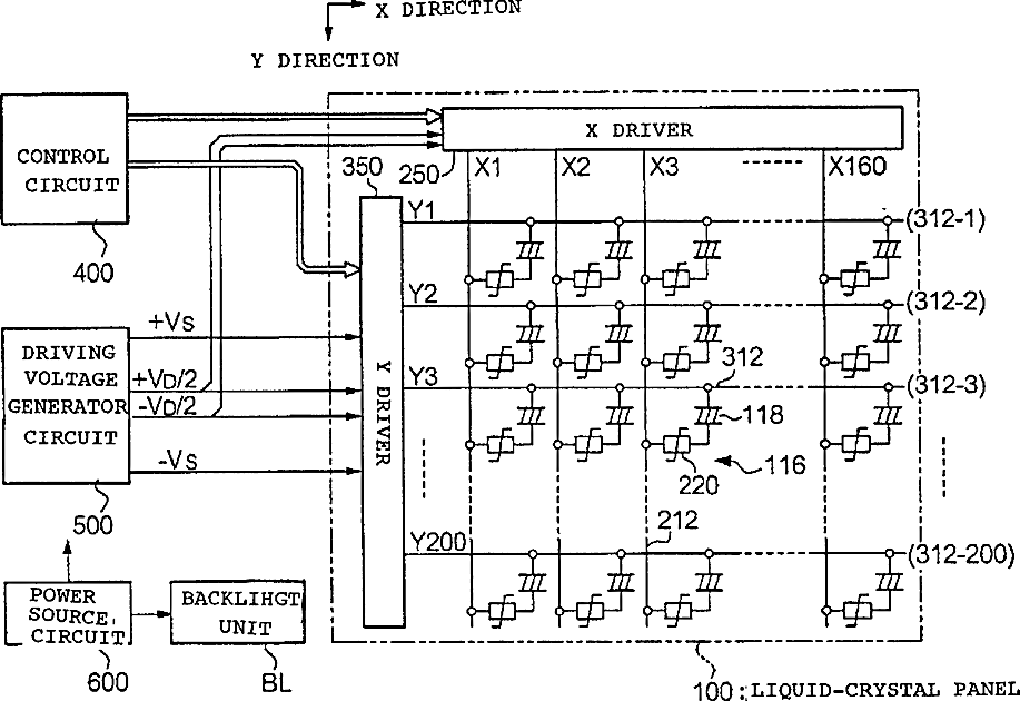
Electrooptical panel, method for driving the same, and electronic equipment
授权日
1900-01-01
公开(公告)号
US20020054006A1
申请日
2001-10-12
公开(公告)日
2002-05-09
当前申请(专利权)人
SEIKO EPSON CORPORATION
发明人
TSUYUKI, TADASHI | ARUGA, YASUHITO
简单同族
CN1253843C | CN1349209A | EP1197945A2 | EP1197945A3 | JP2002123228A | KR100457605B1 | KR1020020030718A | TW525110B | US20020054006A1 | US6853361
简单同族成员数量
10
简单同族被引用专利总数
50
诉讼案件数
0
法律状态/事件
未缴年费 | 权利转移
抱歉,您的浏览器不支持PDF预览,请点击链接下载PDF文件