专利数据库
统计分析
产业报告
专利数据监控
产业人才
行业动态
产业政策法规
维权援助
个人中心
详情
文本
图像
标题
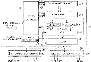
Data driving apparatus and method for liquid crystal display
授权日
2011-03-29
公开(公告)号
US7916110
申请日
2006-10-13
公开(公告)日
2011-03-29
当前申请(专利权)人
LG DISPLAY CO., LTD.
发明人
LEE, SEOK WOO | CHOI, SU KYUNG
简单同族
CN1299252C | CN1412736A | DE10224736A1 | DE10224736B4 | FR2830969A1 | FR2830969B1 | GB0211911D0 | GB2380848A | GB2380848B | JP2003122332A | JP4104381B2 | KR100815897B1 | KR1020030031281A | US20030071778A1 | US20070035506A1 | US7180499 | US7916110
简单同族成员数量
17
简单同族被引用专利总数
51
诉讼案件数
0
法律状态/事件
授权 | 权利转移
抱歉,您的浏览器不支持PDF预览,请点击链接下载PDF文件