专利数据库
统计分析
产业报告
专利数据监控
产业人才
行业动态
产业政策法规
维权援助
个人中心
详情
文本
图像
标题
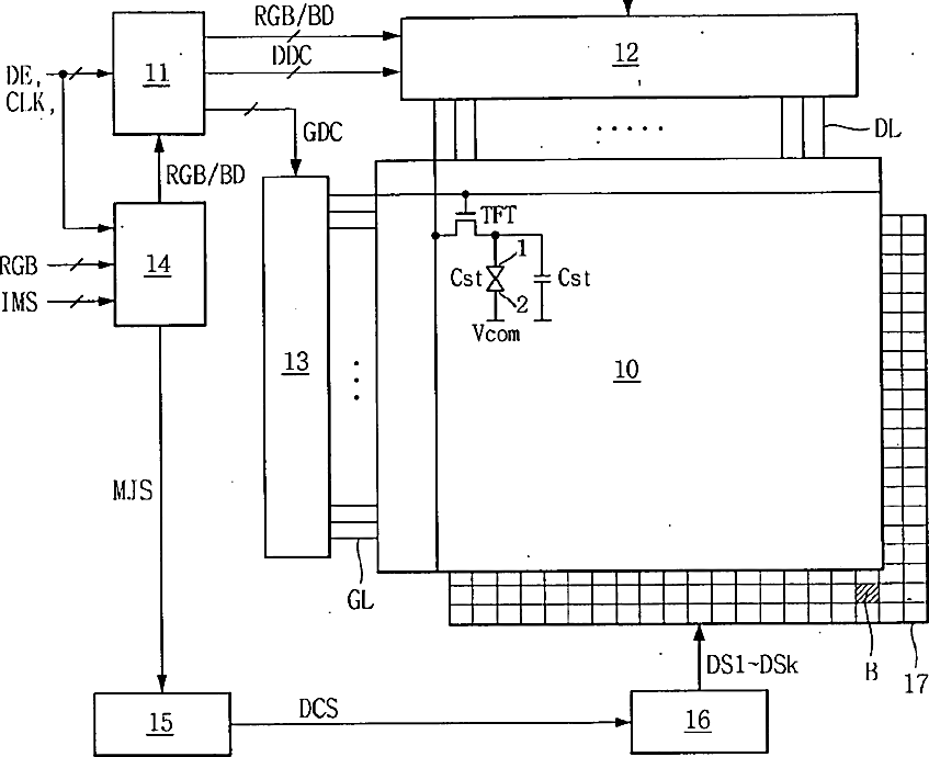
Liquid crystal display and driving method thereof
授权日
1900-01-01
公开(公告)号
US20090303170A1
申请日
2008-12-18
公开(公告)日
2009-12-10
当前申请(专利权)人
LG DISPLAY CO., LTD.
发明人
CHUNG, INJAE | KIM, KIDUK
简单同族
CN101604513A | CN101604513B | JP2009294637A | JP4933520B2 | KR101470636B1 | KR1020090127696A | US20090303170A1 | US8223115
简单同族成员数量
8
简单同族被引用专利总数
75
诉讼案件数
0
法律状态/事件
授权 | 权利转移
抱歉,您的浏览器不支持PDF预览,请点击链接下载PDF文件