专利数据库
统计分析
产业报告
专利数据监控
产业人才
行业动态
产业政策法规
维权援助
个人中心
详情
文本
图像
标题
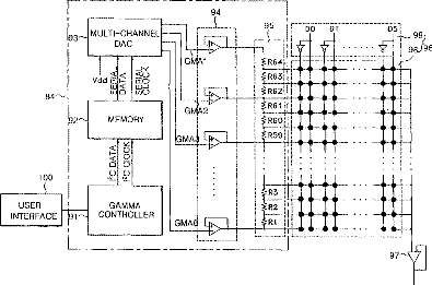
Apparatus and method for correcting gamma voltage and video data in liquid crystal display
授权日
2007-11-20
公开(公告)号
US7298352
申请日
2001-06-28
公开(公告)日
2007-11-20
当前申请(专利权)人
LG DISPLAY CO., LTD.
发明人
KANG, SIN HO | JANG, KYEONG KUN | LEE, SANG TAE | EU, JUNG TAECK | SOHNG, KYU IK | LEE, SANG HOON | GOO, BYUNG JOON
简单同族
JP2002123232A | JP2008176329A | JP4201070B2 | US20020063666A1 | US7298352
简单同族成员数量
5
简单同族被引用专利总数
139
诉讼案件数
0
法律状态/事件
授权 | 权利转移
抱歉,您的浏览器不支持PDF预览,请点击链接下载PDF文件