专利数据库
统计分析
产业报告
专利数据监控
产业人才
行业动态
产业政策法规
维权援助
个人中心
详情
文本
图像
标题
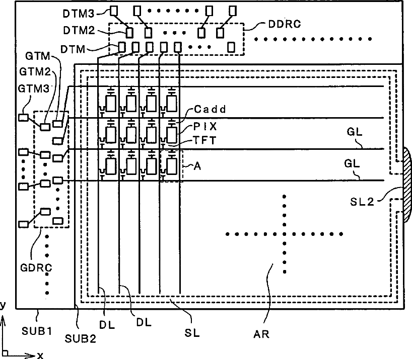
Liquid crystal display device
授权日
1900-01-01
公开(公告)号
US20080117149A1
申请日
2008-01-07
公开(公告)日
2008-05-22
当前申请(专利权)人
PANASONIC LIQUID CRYSTAL DISPLAY CO., LTD. | HITACHI DISPLAYS, LTD.
发明人
HASHIMOTO, YUUICHI | KASAI, TSUTOMU
简单同族
CN100350303C | CN100437312C | CN1179238C | CN1359020A | CN1605902A | CN1936681A | JP2002162644A | JP2002162644A5 | KR100504228B1 | KR1020020041288A | TWI288899B | US20020050967A1 | US20060033130A1 | US20080117149A1 | US6975295 | US7339564 | US7986289
简单同族成员数量
17
简单同族被引用专利总数
60
诉讼案件数
0
法律状态/事件
授权 | 权利转移
抱歉,您的浏览器不支持PDF预览,请点击链接下载PDF文件