专利数据库
统计分析
产业报告
专利数据监控
产业人才
行业动态
产业政策法规
维权援助
个人中心
详情
文本
图像
标题
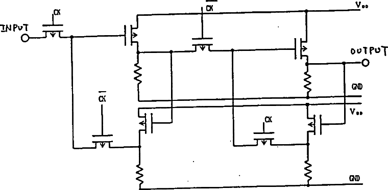
Redundancy shift register circuit for driver circuit in active matrix type liquid crystal display device
授权日
1900-01-01
公开(公告)号
US20050259060A1
申请日
2005-06-27
公开(公告)日
2005-11-24
当前申请(专利权)人
SEMICONDUCTOR ENERGY LABORATORY CO., LTD.
发明人
KOYAMA, JUN | KAWASAKI, YUJI
简单同族
US20050259060A1 | US20090046049A1 | US20130147700A1 | US6747627 | US6943764 | US7477222 | US8319720 | US8638286
简单同族成员数量
8
简单同族被引用专利总数
83
诉讼案件数
0
法律状态/事件
未缴年费
抱歉,您的浏览器不支持PDF预览,请点击链接下载PDF文件