专利数据库
统计分析
产业报告
专利数据监控
产业人才
行业动态
产业政策法规
维权援助
个人中心
详情
文本
图像
标题
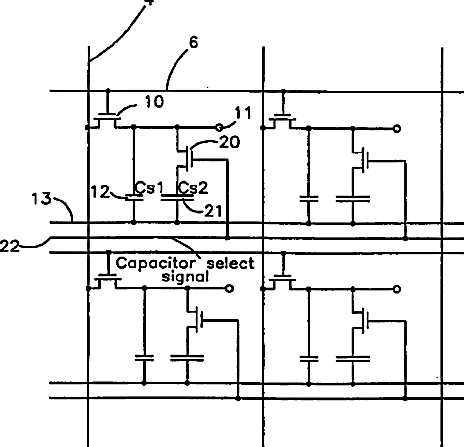
Active matrix device and display
授权日
2005-10-04
公开(公告)号
US6952244
申请日
2002-02-20
公开(公告)日
2005-10-04
当前申请(专利权)人
SHARP KABUSHIKI KAISHA
发明人
CAIRNS, GRAHAM ANDREW | DACHS, CATHERINE ROSINDA MARIE ARMIDA | BROWNLOW, MICHAEL JAMES | KAISE, YASUYOSHI
简单同族
CN1178197C | CN1372242A | DE60207769D1 | DE60207769T2 | EP1239323A1 | EP1239323B1 | GB0104786D0 | GB2372620A | JP2002357850A | JP4140808B2 | KR100443219B1 | KR1020020070148A | US20020154253A1 | US6952244
简单同族成员数量
14
简单同族被引用专利总数
94
诉讼案件数
0
法律状态/事件
未缴年费 | 权利转移
抱歉,您的浏览器不支持PDF预览,请点击链接下载PDF文件