专利数据库
统计分析
产业报告
专利数据监控
产业人才
行业动态
产业政策法规
维权援助
个人中心
详情
文本
图像
标题
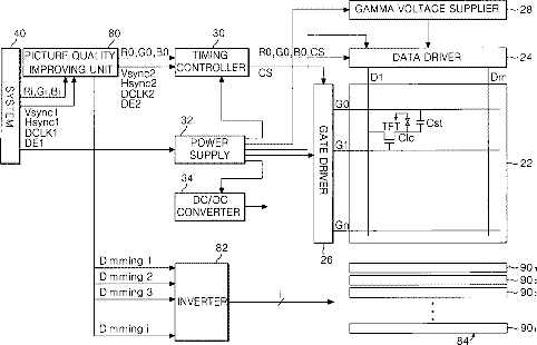
Method and apparatus for driving liquid crystal display device
授权日
2008-07-01
公开(公告)号
US7394448
申请日
2003-12-11
公开(公告)日
2008-07-01
当前申请(专利权)人
LG DISPLAY CO., LTD.
发明人
PARK, MAN HYO | SOHN, MIN HO
简单同族
US20040257329A1 | US20080224977A1 | US7394448 | US7643004
简单同族成员数量
4
简单同族被引用专利总数
201
诉讼案件数
0
法律状态/事件
授权 | 权利转移
抱歉,您的浏览器不支持PDF预览,请点击链接下载PDF文件