专利数据库
统计分析
产业报告
专利数据监控
产业人才
行业动态
产业政策法规
维权援助
个人中心
详情
文本
图像
标题
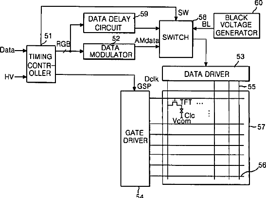
Method and apparatus for driving liquid crystal display
授权日
2013-09-17
公开(公告)号
US8537087
申请日
2006-11-29
公开(公告)日
2013-09-17
当前申请(专利权)人
LG DISPLAY CO., LTD.
发明人
HAM, YONG SUNG
简单同族
CN1294550C | CN1407532A | JP2003084739A | JP4303919B2 | KR100769169B1 | KR1020030020694A | US20030048246A1 | US20070070019A1 | US7161575 | US8537087
简单同族成员数量
10
简单同族被引用专利总数
89
诉讼案件数
0
法律状态/事件
授权 | 权利转移
抱歉,您的浏览器不支持PDF预览,请点击链接下载PDF文件