专利数据库
统计分析
产业报告
专利数据监控
产业人才
行业动态
产业政策法规
维权援助
个人中心
详情
文本
图像
标题
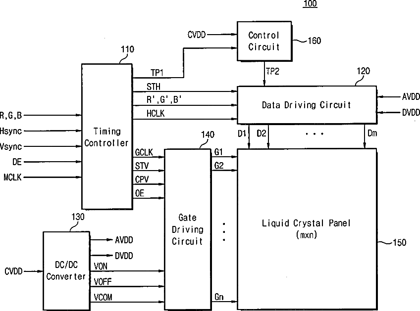
Flat panel display and method of driving the same
授权日
1900-01-01
公开(公告)号
US20070085801A1
申请日
2006-05-23
公开(公告)日
2007-04-19
当前申请(专利权)人
SAMSUNG ELECTRONICS CO., LTD.
发明人
PARK, WOO-IL | KIM, DAE-SEOP
简单同族
CN1953007A | CN1953007B | JP2007114732A | JP2007114732A5 | JP4939847B2 | KR101267019B1 | KR1020070042363A | TW200717409A | TWI420449B | US20070085801A1
简单同族成员数量
10
简单同族被引用专利总数
69
诉讼案件数
0
法律状态/事件
撤回 | 权利转移
抱歉,您的浏览器不支持PDF预览,请点击链接下载PDF文件