专利数据库
统计分析
产业报告
专利数据监控
产业人才
行业动态
产业政策法规
维权援助
个人中心
详情
文本
图像
标题
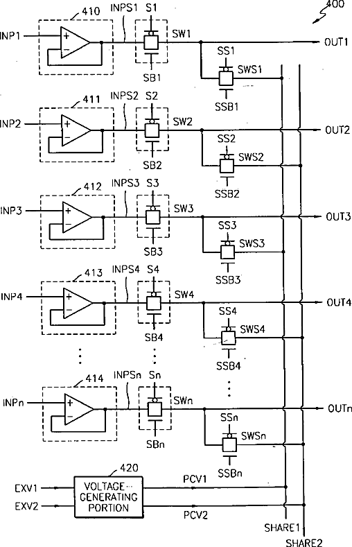
Source driver output circuit of thin film transistor liquid crystal display
授权日
1900-01-01
公开(公告)号
US20030142050A1
申请日
2002-10-30
公开(公告)日
2003-07-31
当前申请(专利权)人
SAMSUNG ELECTRONICS CO., LTD.
发明人
KIM, KI-JOON
简单同族
JP2003228353A | JP2009104173A | KR100438784B1 | KR1020030065699A | TW200302448A | TW577041B | US20030142050A1 | US20060071898A1 | US6954192 | US7821485
简单同族成员数量
10
简单同族被引用专利总数
59
诉讼案件数
0
法律状态/事件
授权 | 权利转移
抱歉,您的浏览器不支持PDF预览,请点击链接下载PDF文件