专利数据库
统计分析
产业报告
专利数据监控
产业人才
行业动态
产业政策法规
维权援助
个人中心
详情
文本
图像
标题
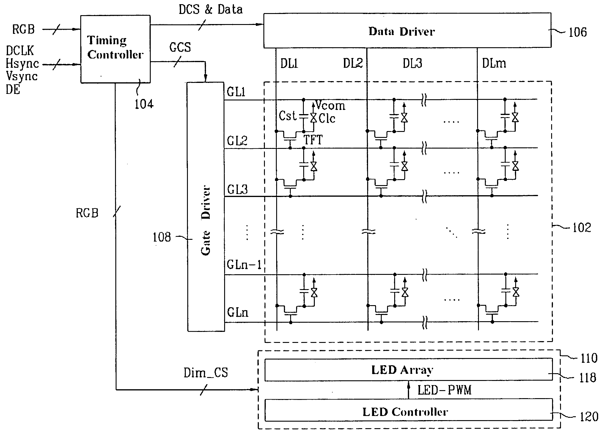
Liquid crystal display
授权日
1900-01-01
公开(公告)号
US20100066657A1
申请日
2008-12-17
公开(公告)日
2010-03-18
当前申请(专利权)人
LG DISPLAY CO., LTD.
发明人
PARK, JOON KYU | KIM, JONG HOON
简单同族
CN101562000A | CN101562000B | KR101286540B1 | KR1020090109766A | US20100066657A1 | US8144113
简单同族成员数量
6
简单同族被引用专利总数
54
诉讼案件数
0
法律状态/事件
授权 | 权利转移
抱歉,您的浏览器不支持PDF预览,请点击链接下载PDF文件