专利数据库
统计分析
产业报告
专利数据监控
产业人才
行业动态
产业政策法规
维权援助
个人中心
详情
文本
图像
标题
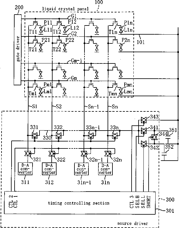
Liquid crystal panel driving device
授权日
1900-01-01
公开(公告)号
US20060232542A1
申请日
2006-06-19
公开(公告)日
2006-10-19
当前申请(专利权)人
GODO KAISHA IP BRIDGE 1
发明人
NISHI, KAZUYOSHI | DATE, YOSHITO
简单同族
CN1311420C | CN1444201A | DE60332408D1 | EP1345203A1 | EP1345203B1 | JP2003271105A | JP3820379B2 | KR100900606B1 | KR1020030074402A | TW200305133A | TWI255436B | US20030174119A1 | US20060232542A1 | US20100253669A1 | US7084852 | US7764260 | US8035602
简单同族成员数量
17
简单同族被引用专利总数
72
诉讼案件数
0
法律状态/事件
授权 | 权利转移
抱歉,您的浏览器不支持PDF预览,请点击链接下载PDF文件