专利数据库
统计分析
产业报告
专利数据监控
产业人才
行业动态
产业政策法规
维权援助
个人中心
详情
文本
图像
标题
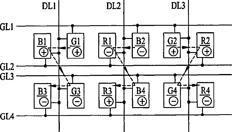
Liquid crystal display device
授权日
2011-01-11
公开(公告)号
US7868861
申请日
2007-08-29
公开(公告)日
2011-01-11
当前申请(专利权)人
LG DISPLAY CO., LTD.
发明人
CHO, HYUNG NYUCK | CHO, NAM WOOK | YOON, SOO YOUNG | CHUN, MIN DOO
简单同族
CN101154361A | CN101154361B | KR101429905B1 | KR1020080029759A | US20080079678A1 | US20110069057A1 | US7868861 | US7969397
简单同族成员数量
8
简单同族被引用专利总数
93
诉讼案件数
0
法律状态/事件
授权 | 权利转移
抱歉,您的浏览器不支持PDF预览,请点击链接下载PDF文件