专利数据库
统计分析
产业报告
专利数据监控
产业人才
行业动态
产业政策法规
维权援助
个人中心
详情
文本
图像
标题
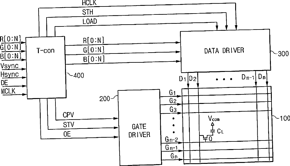
Liquid crystal display and driving method thereof
授权日
1900-01-01
公开(公告)号
US20030038766A1
申请日
2002-05-17
公开(公告)日
2003-02-27
当前申请(专利权)人
SAMSUNG DISPLAY CO., LTD.
发明人
LEE, SEUNG-WOO | SONG, JANG-KUN | KWON, SU-HYUN
简单同族
CN100363969C | CN1407536A | JP2003066928A | JP4644412B2 | TW552573B | US20030038766A1 | US7154464
简单同族成员数量
7
简单同族被引用专利总数
135
诉讼案件数
0
法律状态/事件
授权 | 权利转移
抱歉,您的浏览器不支持PDF预览,请点击链接下载PDF文件