专利数据库
统计分析
产业报告
专利数据监控
产业人才
行业动态
产业政策法规
维权援助
个人中心
详情
文本
图像
标题
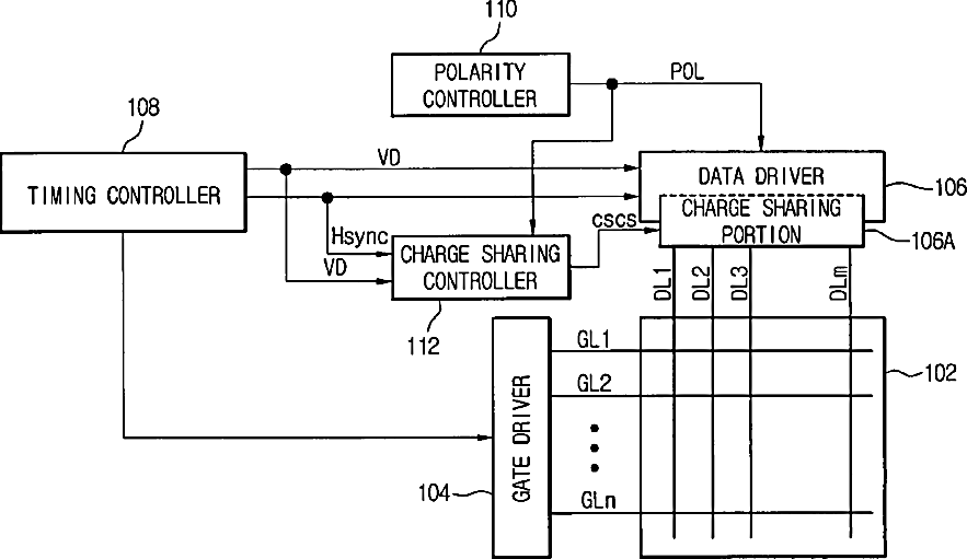
Liquid crystal display device with charge sharing function and driving method thereof
授权日
2010-02-16
公开(公告)号
US7663594
申请日
2006-05-16
公开(公告)日
2010-02-16
当前申请(专利权)人
LG DISPLAY CO., LTD.
发明人
DO, GUN WOO | HAN, SANG SOO
简单同族
US20060262069A1 | US7663594
简单同族成员数量
2
简单同族被引用专利总数
70
诉讼案件数
0
法律状态/事件
授权 | 权利转移
抱歉,您的浏览器不支持PDF预览,请点击链接下载PDF文件