专利数据库
统计分析
产业报告
专利数据监控
产业人才
行业动态
产业政策法规
维权援助
个人中心
详情
文本
图像
标题
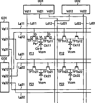
Liquid crystal display with separate positive and negative driving circuits
授权日
2008-05-20
公开(公告)号
US7375712
申请日
2002-12-11
公开(公告)日
2008-05-20
当前申请(专利权)人
SHARP KABUSHIKI KAISHA
发明人
SASAKI, NOBUO
简单同族
CN101276075A | CN1437061A | EP1335343A2 | EP1335343A3 | EP1335343B1 | JP2003228342A | JP3906090B2 | KR100712024B1 | KR1020030066304A | TW200302936A | TWI251194B | US20030146890A1 | US7375712
简单同族成员数量
13
简单同族被引用专利总数
60
诉讼案件数
0
法律状态/事件
未缴年费 | 权利转移
抱歉,您的浏览器不支持PDF预览,请点击链接下载PDF文件