专利数据库
统计分析
产业报告
专利数据监控
产业人才
行业动态
产业政策法规
维权援助
个人中心
详情
文本
图像
标题
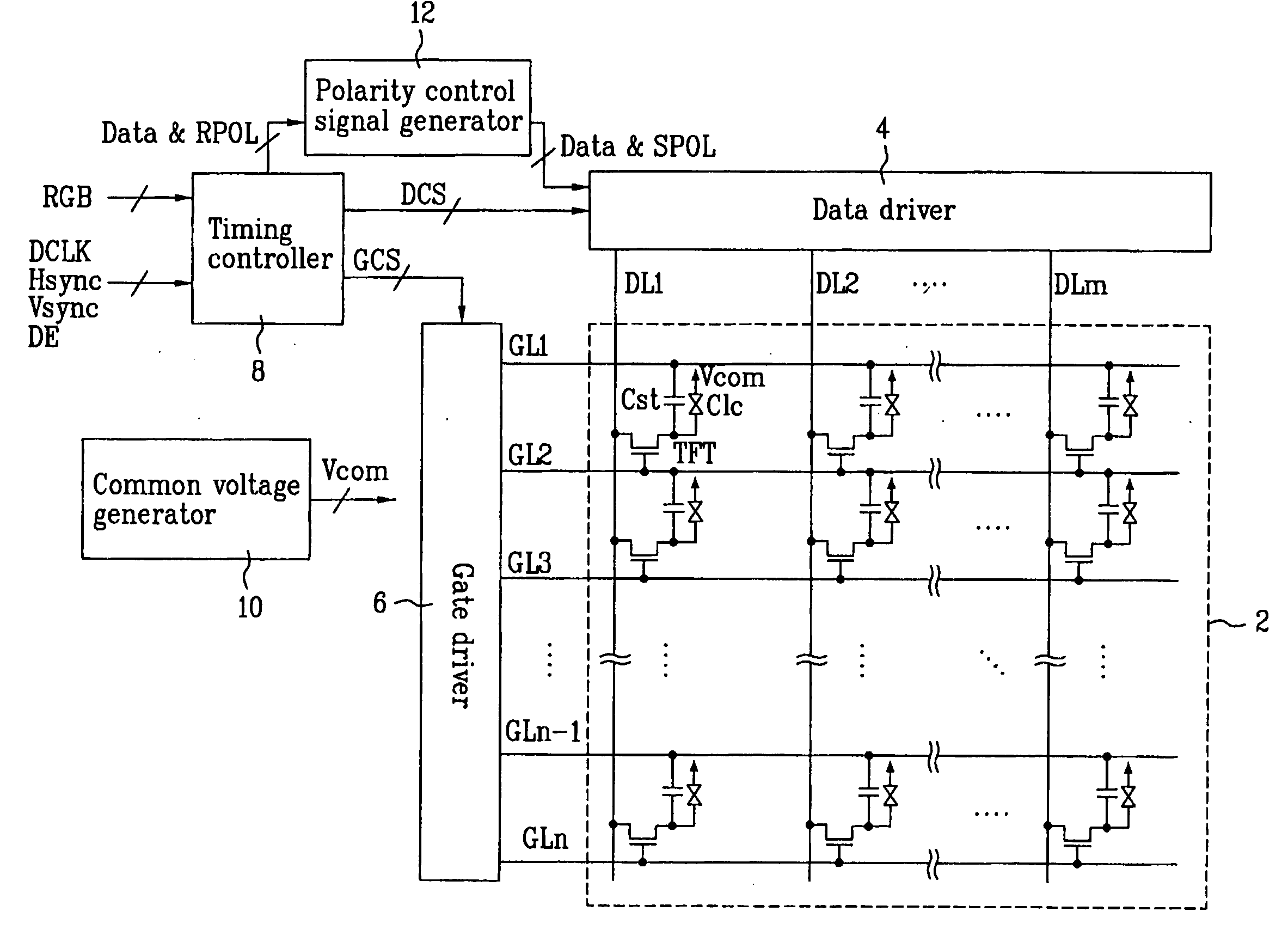
Apparatus and method for driving liquid crystal display device
授权日
1900-01-01
公开(公告)号
US20080001890A1
申请日
2006-12-28
公开(公告)日
2008-01-03
当前申请(专利权)人
LG DISPLAY CO., LTD.
发明人
SONG, HONG SUNG | LEE, OH HYUN | MIN, WOONG KI | KIM, HYUK JIN
简单同族
KR101287209B1 | KR1020080002624A | US20080001890A1 | US8605023
简单同族成员数量
4
简单同族被引用专利总数
60
诉讼案件数
0
法律状态/事件
授权 | 权利转移
抱歉,您的浏览器不支持PDF预览,请点击链接下载PDF文件