专利数据库
统计分析
产业报告
专利数据监控
产业人才
行业动态
产业政策法规
维权援助
个人中心
详情
文本
图像
标题
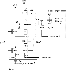
Liquid crystal display device having a circuit for canceling threshold voltage shift of the thin film transistor
授权日
2002-09-03
公开(公告)号
US6445371
申请日
2000-06-06
公开(公告)日
2002-09-03
当前申请(专利权)人
PANASONIC LIQUID CRYSTAL DISPLAY CO., LTD.
发明人
MIYAZAWA, TOSHIO | SATO, TOMOHIKO
简单同族
JP2000347159A | KR100787698B1 | KR1020010007288A | TW530279B | US20020196247A1 | US6445371 | US6639576
简单同族成员数量
7
简单同族被引用专利总数
72
诉讼案件数
0
法律状态/事件
授权 | 权利转移
抱歉,您的浏览器不支持PDF预览,请点击链接下载PDF文件