专利数据库
统计分析
产业报告
专利数据监控
产业人才
行业动态
产业政策法规
维权援助
个人中心
详情
文本
图像
标题
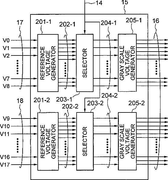
Liquid crystal driving device for controlling a liquid crystal panel and liquid crystal display apparatus
授权日
2004-10-05
公开(公告)号
US6801178
申请日
2001-07-25
公开(公告)日
2004-10-05
当前申请(专利权)人
RENESAS ELECTRONICS CORPORATION
发明人
NITTA, HIROYUKI | FURUHASHI, TSUTOMU | KIMURA, MAKOTO | KOSHI, HIROBUMI | MAEDA, TAKESHI
简单同族
JP2002041004A | JP3651371B2 | KR100432290B1 | KR1020020013714A | TW559770B | US20020011979A1 | US6801178
简单同族成员数量
7
简单同族被引用专利总数
151
诉讼案件数
0
法律状态/事件
未缴年费 | 权利转移
抱歉,您的浏览器不支持PDF预览,请点击链接下载PDF文件