专利数据库
统计分析
产业报告
专利数据监控
产业人才
行业动态
产业政策法规
维权援助
个人中心
详情
文本
图像
标题
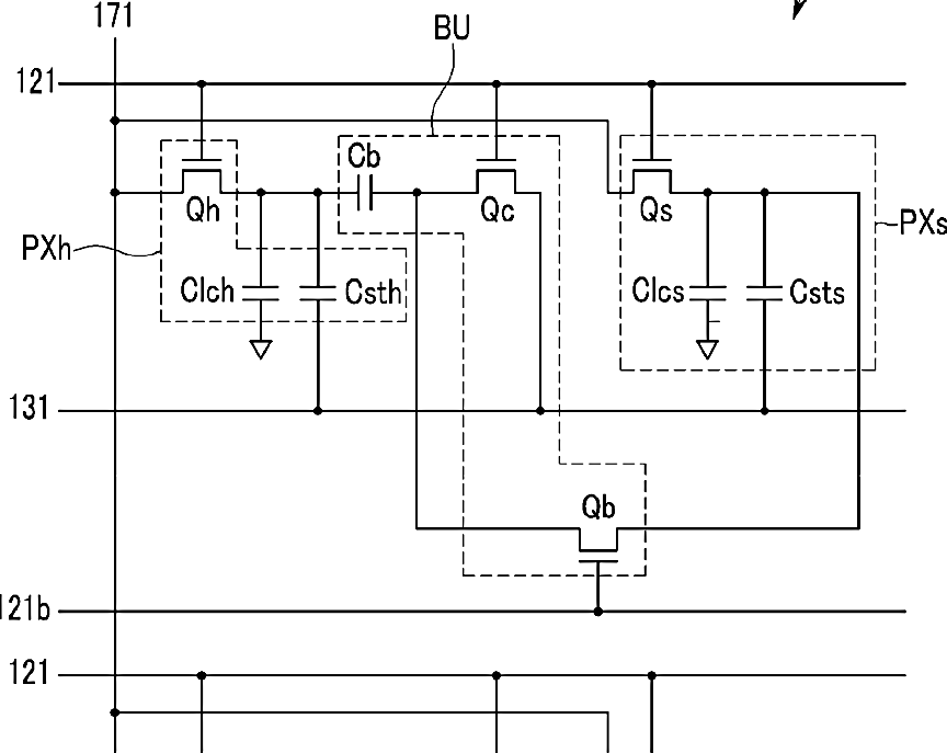
Liquid crystal display
授权日
1900-01-01
公开(公告)号
US20100157185A1
申请日
2009-09-23
公开(公告)日
2010-06-24
当前申请(专利权)人
SAMSUNG DISPLAY CO., LTD.
发明人
KIM, YOON-JANG | PARK, KYUNG-HO | MOON, SUNG-JAE | PARK, KEE-BUM
简单同族
KR101518325B1 | KR1020100070663A | US20100157185A1 | US8368826
简单同族成员数量
4
简单同族被引用专利总数
71
诉讼案件数
0
法律状态/事件
授权 | 权利转移
抱歉,您的浏览器不支持PDF预览,请点击链接下载PDF文件