专利数据库
统计分析
产业报告
专利数据监控
产业人才
行业动态
产业政策法规
维权援助
个人中心
详情
文本
图像
标题
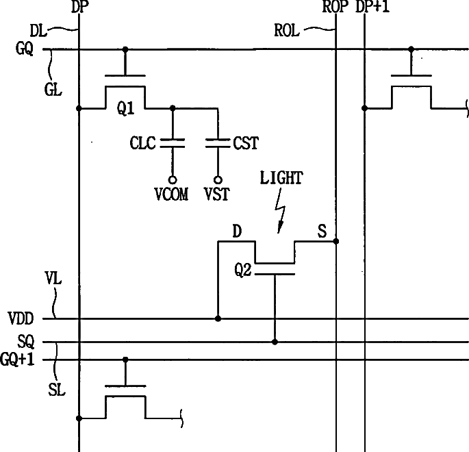
Light sensing panel, and liquid crystal display apparatus having the same
授权日
1900-01-01
公开(公告)号
US20050139751A1
申请日
2004-12-24
公开(公告)日
2005-06-30
当前申请(专利权)人
SAMSUNG DISPLAY CO., LTD.
发明人
PARK, SANG-JIN | UH, KEE-HAN | JUNG, YOUNG-BAE | CHO, JONG-WHAN | CHOI, YOUNG-JUN
简单同族
JP2005196177A | KR101001969B1 | KR1020050065971A | TW200528823A | TWI373650B | US20050139751A1 | US20070187720A1 | US7208718 | US8058603
简单同族成员数量
9
简单同族被引用专利总数
89
诉讼案件数
0
法律状态/事件
授权 | 权利转移
抱歉,您的浏览器不支持PDF预览,请点击链接下载PDF文件