专利数据库
统计分析
产业报告
专利数据监控
产业人才
行业动态
产业政策法规
维权援助
个人中心
详情
文本
图像
标题
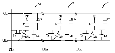
Liquid crystal display panel having reduced flicker
授权日
2005-05-24
公开(公告)号
US6897908
申请日
2002-08-16
公开(公告)日
2005-05-24
当前申请(专利权)人
INNOLUX CORPORATION
发明人
LEE, HSIN-TA | WU, YUAN-LIANG | WU, CHENG-I | LIN, WEN-CHIEH
简单同族
US20030098934A1 | US6897908
简单同族成员数量
2
简单同族被引用专利总数
58
诉讼案件数
0
法律状态/事件
授权 | 权利转移
抱歉,您的浏览器不支持PDF预览,请点击链接下载PDF文件