专利数据库
统计分析
产业报告
专利数据监控
产业人才
行业动态
产业政策法规
维权援助
个人中心
详情
文本
图像
标题
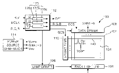
Liquid crystal display apparatus and driving method thereof
授权日
2008-09-16
公开(公告)号
US7425942
申请日
2004-06-29
公开(公告)日
2008-09-16
当前申请(专利权)人
LG DISPLAY CO., LTD.
发明人
LEE, JAE KYUN | KIM, KYONG SOEK
简单同族
KR100965580B1 | KR1020050020265A | US20050041006A1 | US7425942
简单同族成员数量
4
简单同族被引用专利总数
53
诉讼案件数
0
法律状态/事件
授权 | 权利转移
抱歉,您的浏览器不支持PDF预览,请点击链接下载PDF文件