专利数据库
统计分析
产业报告
专利数据监控
产业人才
行业动态
产业政策法规
维权援助
个人中心
详情
文本
图像
标题
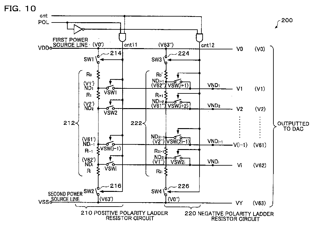
Reference voltage generation circuit, display drive circuit, and display device
授权日
1900-01-01
公开(公告)号
EP1553554A3
申请日
2003-01-28
公开(公告)日
2006-03-08
当前申请(专利权)人
SEIKO EPSON CORPORATION
发明人
MORITA, AKIRA
简单同族
AT337600T | CN1232938C | CN1437085A | DE60307691D1 | DE60307691T2 | EP1335344A2 | EP1335344A3 | EP1335344B1 | EP1551004A2 | EP1551004A3 | EP1553554A2 | EP1553554A3 | JP2003233357A | JP3807322B2 | KR100524443B1 | KR1020030067574A | TW200303006A | TWI229309B | US20030151577A1 | US7106321
简单同族成员数量
20
简单同族被引用专利总数
128
诉讼案件数
0
法律状态/事件
撤回
抱歉,您的浏览器不支持PDF预览,请点击链接下载PDF文件