专利数据库
统计分析
产业报告
专利数据监控
产业人才
行业动态
产业政策法规
维权援助
个人中心
详情
文本
图像
标题
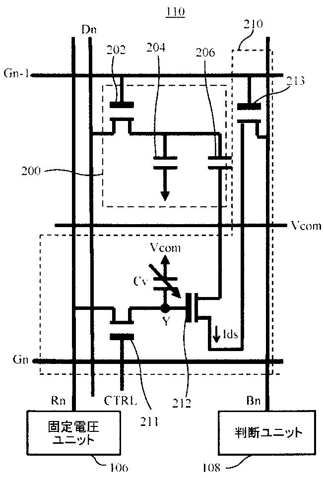
タッチパネル式液晶表示器
授权日
1900-01-01
公开(公告)号
JP2010271724A
申请日
2010-06-15
公开(公告)日
2010-12-02
当前申请(专利权)人
友達光電股▲ふん▼有限公司
发明人
呉 政芳 | 曹 正翰 | 陳 彦廷 | 黄 乙白 | 張 庭瑞 | 洪 集茂 | 頼 明昇 | 王 智偉 | 劉 柏源 | 蔡 昆華 | 劉 軍廷 | 江 明峰
简单同族
JP2008058925A | JP2010256918A | JP2010271724A | JP4560031B2 | JP5379080B2 | JP5483284B2 | TW200813919A | TWI354962B | US20080055267A1 | US7737940
简单同族成员数量
10
简单同族被引用专利总数
170
诉讼案件数
0
法律状态/事件
授权
抱歉,您的浏览器不支持PDF预览,请点击链接下载PDF文件