专利数据库
统计分析
产业报告
专利数据监控
产业人才
行业动态
产业政策法规
维权援助
个人中心
详情
文本
图像
标题
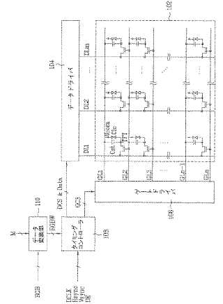
液晶表示装置の駆動装置及び駆動方法
授权日
1900-01-01
公开(公告)号
JP2007171907A
申请日
2006-06-27
公开(公告)日
2007-07-05
当前申请(专利权)人
エルジー ディスプレイ カンパニー リミテッド
发明人
權 耕 準
简单同族
CN1987987A | CN1987987B | JP2007171907A | JP4566953B2 | KR101147084B1 | KR1020070065640A | US20070139326A1 | US7839418
简单同族成员数量
8
简单同族被引用专利总数
74
诉讼案件数
0
法律状态/事件
授权
抱歉,您的浏览器不支持PDF预览,请点击链接下载PDF文件