专利数据库
统计分析
产业报告
专利数据监控
产业人才
行业动态
产业政策法规
维权援助
个人中心
详情
文本
图像
标题
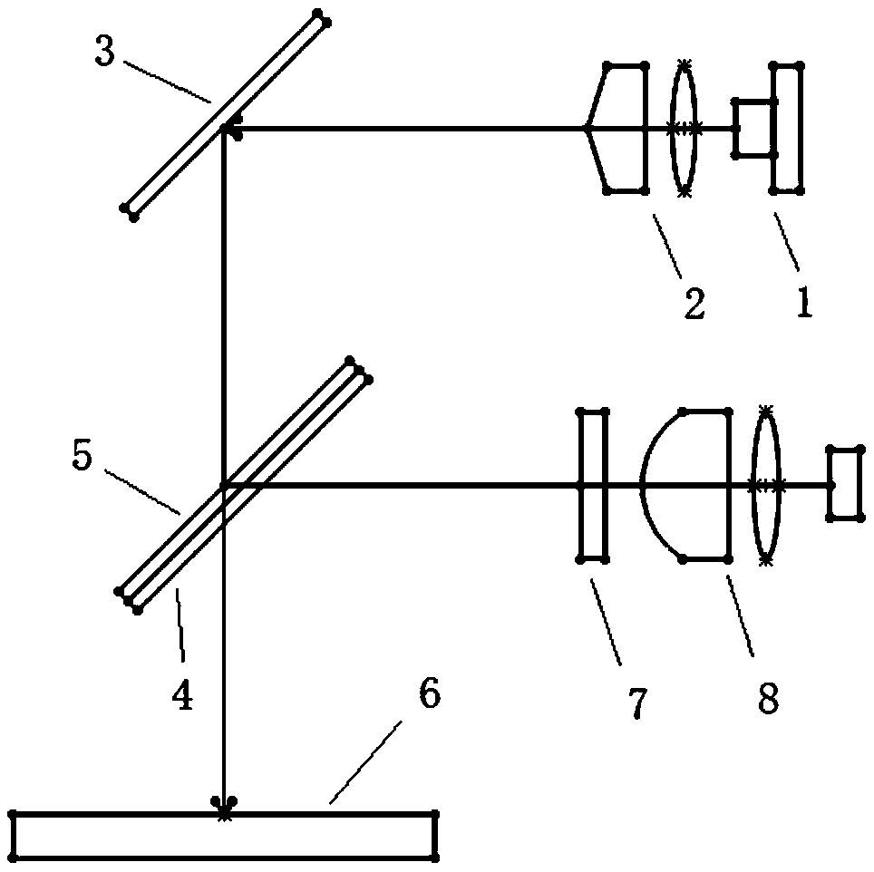
一种上转发光免疫分析仪的快速检测装置
授权日
2020-05-08
公开(公告)号
CN210487599U
申请日
2019-08-28
公开(公告)日
2020-05-08
当前申请(专利权)人
热景(廊坊)生物技术有限公司
发明人
王富强 | 李艳召 | 汪吉杰 | 刘培植 | 李照亮
简单同族
CN210487599U
简单同族成员数量
1
简单同族被引用专利总数
0
诉讼案件数
0
法律状态/事件
授权
抱歉,您的浏览器不支持PDF预览,请点击链接下载PDF文件