专利数据库
统计分析
产业报告
专利数据监控
产业人才
行业动态
产业政策法规
维权援助
个人中心
详情
文本
图像
标题
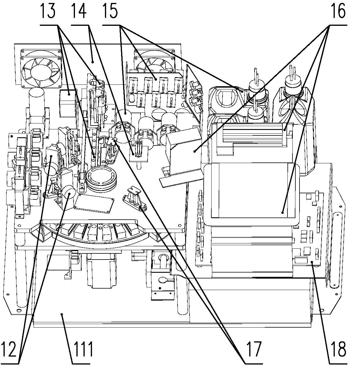
一种全自动酶联免疫分析仪
授权日
2013-12-04
公开(公告)号
CN102116771B
申请日
2010-01-04
公开(公告)日
2013-12-04
当前申请(专利权)人
深圳市亚辉龙生物科技股份有限公司
发明人
何林 | 刘清波 | 阳辉 | 伍坚
简单同族
CN102116771A | CN102116771B
简单同族成员数量
2
简单同族被引用专利总数
52
诉讼案件数
0
法律状态/事件
授权
抱歉,您的浏览器不支持PDF预览,请点击链接下载PDF文件