专利数据库
统计分析
产业报告
专利数据监控
产业人才
行业动态
产业政策法规
维权援助
个人中心
详情
文本
图像
标题
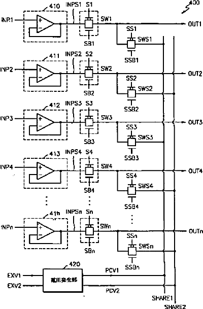
薄膜トランジスタ型液晶表示装置のソースドライバーの出力回路
授权日
1900-01-01
公开(公告)号
JP2003228353A
申请日
2003-01-09
公开(公告)日
2003-08-15
当前申请(专利权)人
三星電子株式会社
发明人
金 基俊
简单同族
JP2003228353A | JP2009104173A | KR100438784B1 | KR1020030065699A | TW200302448A | TW577041B | US20030142050A1 | US20060071898A1 | US6954192 | US7821485
简单同族成员数量
10
简单同族被引用专利总数
59
诉讼案件数
0
法律状态/事件
驳回
抱歉,您的浏览器不支持PDF预览,请点击链接下载PDF文件