专利数据库
统计分析
产业报告
专利数据监控
产业人才
行业动态
产业政策法规
维权援助
个人中心
详情
文本
图像
标题
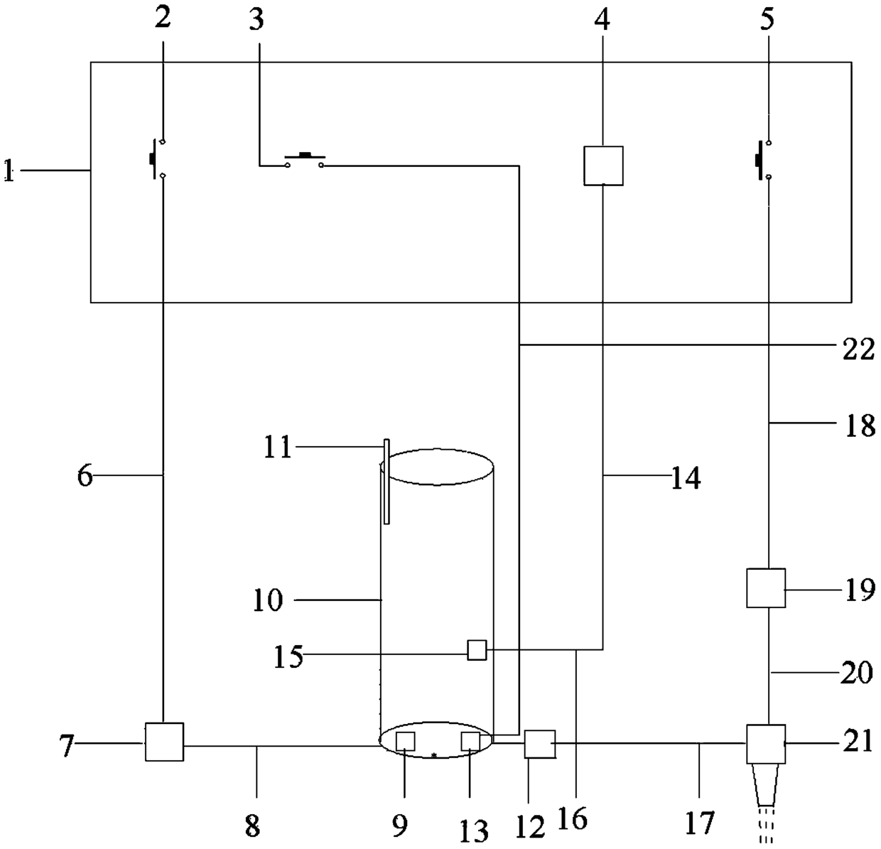
一种空化臭氧水刀
授权日
2014-09-03
公开(公告)号
CN203802541U
申请日
2014-04-03
公开(公告)日
2014-09-03
当前申请(专利权)人
湖南海贽医疗科技有限公司
发明人
鲁建云 | 汤鉴 | 汤宏勇 | 王晓琦 | 张鲁玲 | 向亚平 | 黄进华 | 高丽华 | 欧春香 | 黄健 | 陈美琳
简单同族
CN203802541U
简单同族成员数量
1
简单同族被引用专利总数
0
诉讼案件数
0
法律状态/事件
授权 | 权利转移
抱歉,您的浏览器不支持PDF预览,请点击链接下载PDF文件