专利数据库
统计分析
产业报告
专利数据监控
产业人才
行业动态
产业政策法规
维权援助
个人中心
详情
文本
图像
标题
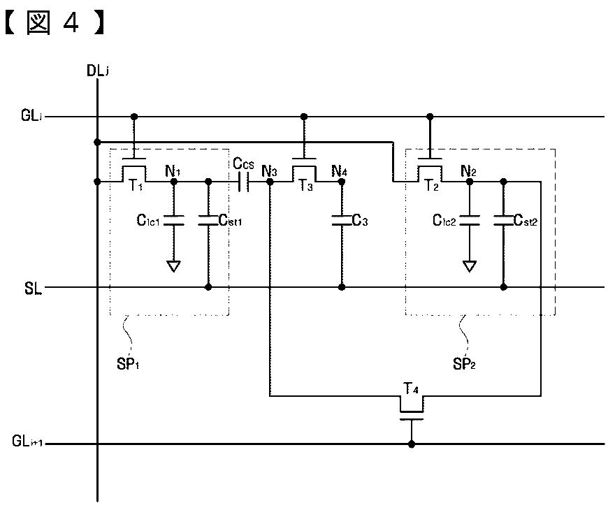
液晶表示装置
授权日
2013-10-25
公开(公告)号
JP5396039B2
申请日
2008-05-08
公开(公告)日
2014-01-22
当前申请(专利权)人
三星ディスプレイ株式會社
发明人
梁 英 ▲てつ▼ | 陸 建 鋼 | 李 承 勳
简单同族
CN101446723A | CN101446723B | CN102662285A | CN102662285B | JP2009128900A | JP2014063169A | JP5396039B2 | JP5814323B2 | KR101371604B1 | KR1020090054300A | US20090135323A1 | US20110267554A1 | US7995155 | US9134581
简单同族成员数量
14
简单同族被引用专利总数
75
诉讼案件数
0
法律状态/事件
授权 | 权利转移
抱歉,您的浏览器不支持PDF预览,请点击链接下载PDF文件