专利数据库
统计分析
产业报告
专利数据监控
产业人才
行业动态
产业政策法规
维权援助
个人中心
详情
文本
图像
标题
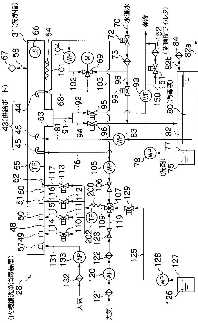
内視鏡洗浄消毒装置及び内視鏡洗浄消毒方法
授权日
1900-01-01
公开(公告)号
JP2012071017A
申请日
2010-09-29
公开(公告)日
2012-04-12
当前申请(专利权)人
富士フイルム株式会社
发明人
桂 洋史 | 芹澤 充彦 | 大谷 健一 | 鳥澤 信幸 | 山本 誠一 | 竹内 和也 | 斎藤 牧 | 井山 勝蔵 | 鈴木 一誠 | 大田 恭義 | 細野 康幸
简单同族
JP2012071017A
简单同族成员数量
1
简单同族被引用专利总数
0
诉讼案件数
0
法律状态/事件
撤回
抱歉,您的浏览器不支持PDF预览,请点击链接下载PDF文件