专利数据库
统计分析
产业报告
专利数据监控
产业人才
行业动态
产业政策法规
维权援助
个人中心
详情
文本
图像
标题
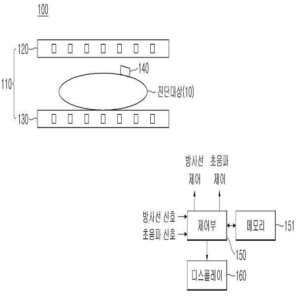
중재시술 혈관위치 가이드를 위한 시술 보조 시스템
授权日
1900-01-01
公开(公告)号
KR1020200055838A
申请日
2018-11-12
公开(公告)日
2020-05-22
当前申请(专利权)人
한국전기연구원
发明人
김기현 | 이경희
简单同族
KR1020200055838A
简单同族成员数量
1
简单同族被引用专利总数
0
诉讼案件数
0
法律状态/事件
实质审查
抱歉,您的浏览器不支持PDF预览,请点击链接下载PDF文件