专利数据库
统计分析
产业报告
专利数据监控
产业人才
行业动态
产业政策法规
维权援助
个人中心
详情
文本
图像
标题
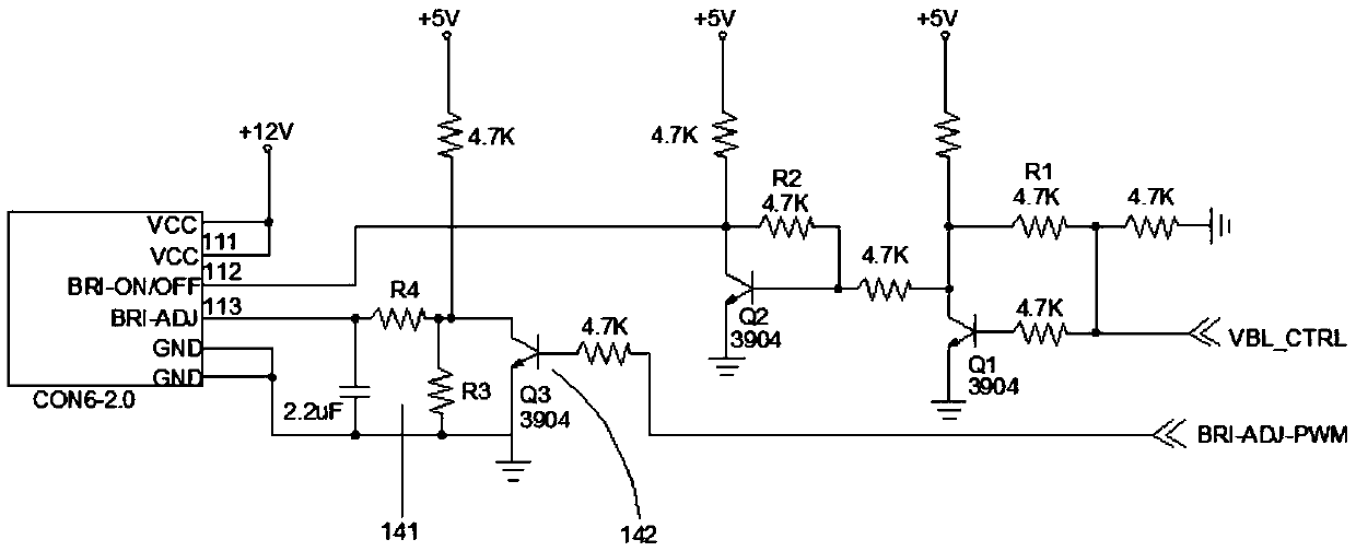
一种液晶屏的背光自控电路
授权日
2019-05-24
公开(公告)号
CN208903646U
申请日
2018-08-27
公开(公告)日
2019-05-24
当前申请(专利权)人
广州冠显电子科技有限公司
发明人
王丽斌 | 吕志其
简单同族
CN208903646U
简单同族成员数量
1
简单同族被引用专利总数
0
诉讼案件数
0
法律状态/事件
授权
抱歉,您的浏览器不支持PDF预览,请点击链接下载PDF文件