专利数据库
统计分析
产业报告
专利数据监控
产业人才
行业动态
产业政策法规
维权援助
个人中心
详情
文本
图像
标题
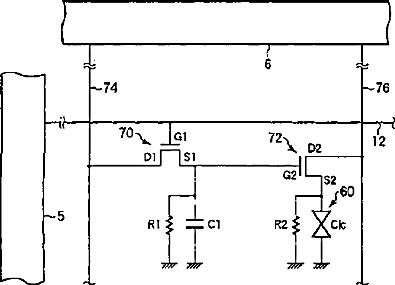
液晶显示装置及其驱动方法
授权日
1900-01-01
公开(公告)号
CN1441400A
申请日
2003-02-27
公开(公告)日
2003-09-10
当前申请(专利权)人
夏普株式会社 | 富士通株式会社
发明人
上田一也 | 吉田秀史 | 井上雄一 | 小池善郎
简单同族
CN100349037C | CN101430442A | CN101430442B | CN1441400A | CN1763613A | CN1763613B | JP2003255305A | JP4169992B2 | KR100870589B1 | KR100875323B1 | KR1020030071499A | KR1020080007203A | TW200306445A | TW594198B | US20030160750A1 | US7508385 | USR43640
简单同族成员数量
17
简单同族被引用专利总数
132
诉讼案件数
0
法律状态/事件
授权 | 权利转移
抱歉,您的浏览器不支持PDF预览,请点击链接下载PDF文件