专利数据库
统计分析
产业报告
专利数据监控
产业人才
行业动态
产业政策法规
维权援助
个人中心
详情
文本
图像
标题
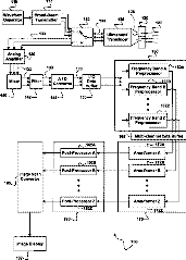
Ultrasound system for generating a single set of ultrasound pulse firings
授权日
2010-03-23
公开(公告)号
US7682309
申请日
2005-01-25
公开(公告)日
2010-03-23
当前申请(专利权)人
SHENZHEN MINDRAY BIO-MEDICAL ELECTRONICS CO., LTD.
发明人
JI, TING-LAN | MCLAUGHLIN, GLEN
简单同族
DE10248745A1 | DE10248745B4 | JP2003180687A | US20030078497A1 | US20050131294A1 | US6896658 | US7682309
简单同族成员数量
7
简单同族被引用专利总数
104
诉讼案件数
0
法律状态/事件
授权 | 权利转移
抱歉,您的浏览器不支持PDF预览,请点击链接下载PDF文件