专利数据库
统计分析
产业报告
专利数据监控
产业人才
行业动态
产业政策法规
维权援助
个人中心
详情
文本
图像
标题
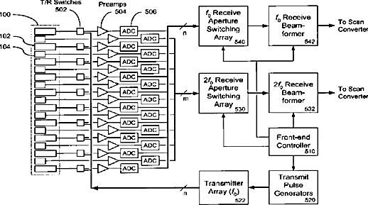
Dual-frequency ultrasonic array transducer and method of harmonic imaging
授权日
2003-04-01
公开(公告)号
US6540683
申请日
2001-09-14
公开(公告)日
2003-04-01
当前申请(专利权)人
LIN GREGORY SHARAT
发明人
LIN, GREGORY SHARAT
简单同族
US20030055337A1 | US6540683
简单同族成员数量
2
简单同族被引用专利总数
89
诉讼案件数
0
法律状态/事件
未缴年费
抱歉,您的浏览器不支持PDF预览,请点击链接下载PDF文件