专利数据库
统计分析
产业报告
专利数据监控
产业人才
行业动态
产业政策法规
维权援助
个人中心
详情
文本
图像
标题
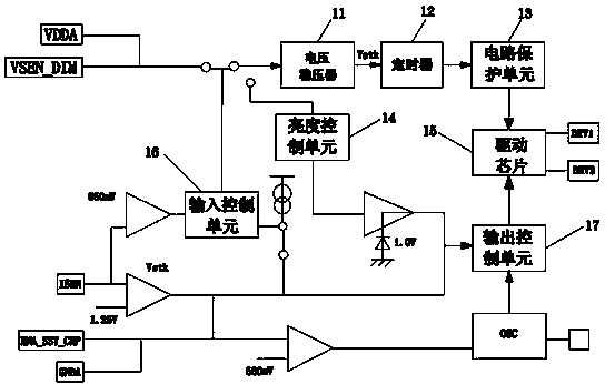
一种液晶显示器驱动装置
授权日
2015-02-04
公开(公告)号
CN204143842U
申请日
2014-11-14
公开(公告)日
2015-02-04
当前申请(专利权)人
深圳市海菲光电发展有限公司
发明人
郑泽鑫 | 郑俊涛 | 智雨生
简单同族
CN204143842U
简单同族成员数量
1
简单同族被引用专利总数
0
诉讼案件数
0
法律状态/事件
授权
抱歉,您的浏览器不支持PDF预览,请点击链接下载PDF文件