专利数据库
统计分析
产业报告
专利数据监控
产业人才
行业动态
产业政策法规
维权援助
个人中心
详情
文本
图像
标题
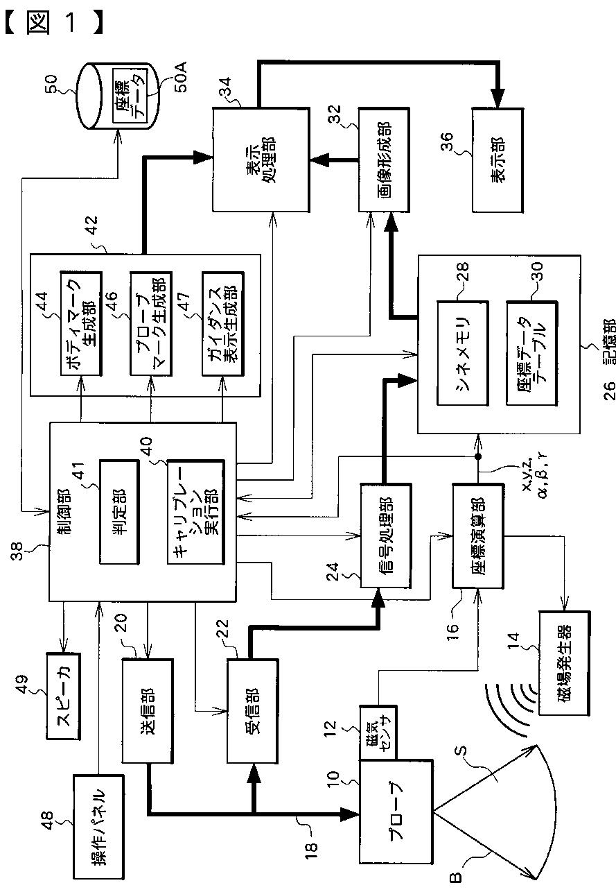
超音波診断装置
授权日
2009-02-20
公开(公告)号
JP4263579B2
申请日
2003-10-22
公开(公告)日
2009-05-13
当前申请(专利权)人
アロカ株式会社
发明人
大竹 章文
简单同族
CN100475149C | CN1608592A | DE602004024630D1 | EP1525850A1 | EP1525850B1 | JP2005124712A | JP4263579B2 | US20050119569A1 | US7806824
简单同族成员数量
9
简单同族被引用专利总数
152
诉讼案件数
0
法律状态/事件
未缴年费
抱歉,您的浏览器不支持PDF预览,请点击链接下载PDF文件