专利数据库
统计分析
产业报告
专利数据监控
产业人才
行业动态
产业政策法规
维权援助
个人中心
详情
文本
图像
标题
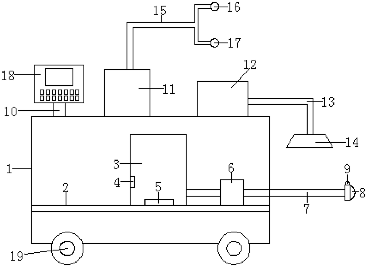
一种心血管超声溶栓装置
授权日
1900-01-01
公开(公告)号
CN108742773A
申请日
2018-06-12
公开(公告)日
2018-11-06
当前申请(专利权)人
河南科技大学第一附属医院
发明人
段利科 | 吕海霞 | 马会峰
简单同族
CN108742773A
简单同族成员数量
1
简单同族被引用专利总数
0
诉讼案件数
0
法律状态/事件
实质审查
抱歉,您的浏览器不支持PDF预览,请点击链接下载PDF文件